0771-6262138

您所在的位置: 首页 > 质量检验 > 质量检验

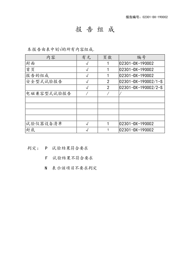
70 °C(柔软)护层软聚氯乙烯塑料 试验报告

时间:2019-11-11

1.jpg


2.jpg


3.jpg


4.jpg


5.jpg


6.6.jpg


7.7.jpg


8.8.jpg


1573439475(1).jpg